概览
产品详情
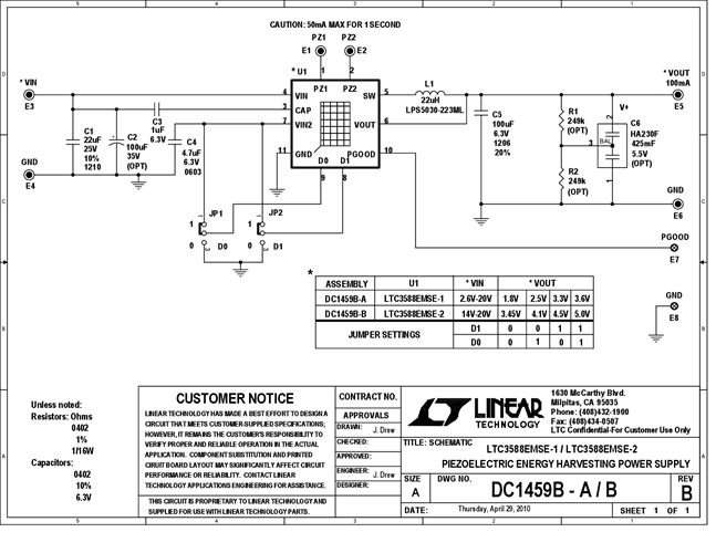
DC1459B-B: Demo Board for the LTC3588-2 Piezoelectric Energy Harvesting Power Supply with 14V Minimum VIN.
相关产品
文档
-
DC1459B - Schematic2010/7/16PDF70K
-
DC1459B - Demo Manual2010/7/16PDF402K
-
DC1459B - Design Files2010/7/16ZIP729K
