概览
产品详情
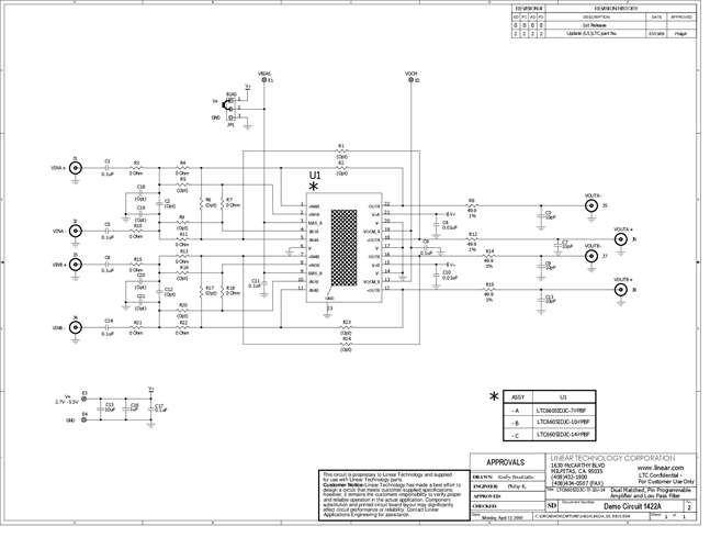
DC1422A-C:集成低噪声、低失真差分放大器的LTC6605-14双通道匹配14MHz滤波器演示板。
相关产品
文档
-
DC1422A - Schematic2009/9/24PDF80K
-
DC1422A - Demo Manual2009/9/24PDF190K
-
DC1422A - Design File2009/9/24ZIP2M
