概览
产品详情
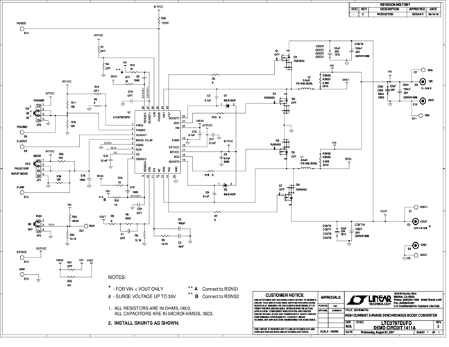
演示电路DC1411是一款DC/DC升压转换器,内置LTC3787恒频电流模式升压控制器。DC1411A在5V至24V输入电压范围内工作,并提供6A至16A的输出电流。恒定工作频率为350kHz,可实现小型高效电路。该转换器在宽负载范围内提供较高的输出电压精度(通常为±3%),且没有最低负载要求。该演示电路可轻松修改,以产生不同的输出电压。
相关产品
文档
-
DC1411A - Schematic2013/7/19PDF66K
-
DC1411A - Demo Manual2013/7/18PDF672K
-
DC1411A - Design Files2013/7/19ZIP1M






