概览
产品详情
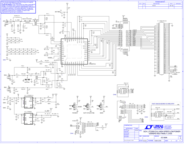
DC1369A-N: Demo Board for the LTC2262-12 12-Bit, 150Msps Ultralow Power 1.8V ADC
相关产品
文档
-
DC1369A - Schematic2012/5/4PDF68K
-
DC1369A - Demo Manual2012/6/13PDF1M
-
DC1369A - Design Files2011/6/8ZIP4M
