概览
产品详情
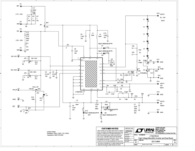
DC1348A: Demo Board for the LT3587 High Voltage Monolithic Inverter and Dual Boost
相关产品
文档
-
DC1348A - Schematic2009/9/24PDF85K
-
DC1348A - Demo Manual2009/9/24PDF1M
-
DC1348A - Design File2009/9/24ZIP815K
