概览
产品详情
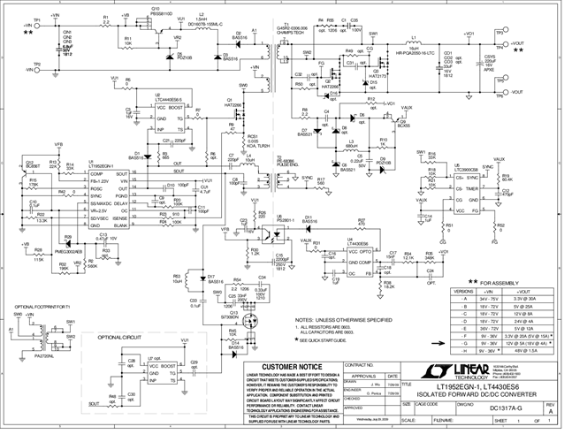
Demonstration circuit 1317A-G is an isolated input to high current output 1/8th brick footprint synchronous forward converter featuring the LT1952 switching controller with Active Reset circuit. The Active Reset circuit can improve the efficiency in wide input voltage applications. Also, the Active Reset allows the implementation of self-driven synchronous secondary rectifiers in some applications. The DC1317A-G converts an isolated 9V to 36V input to 12V at 5A of output current.
文档
-
DC1317A-G - Schematic2010/8/2PDF49K
-
DC1317A-G - Demo Manual2009/10/21PDF3M
-
DC1317A-G - Design Files2009/10/21ZIP3M
