概览
产品详情
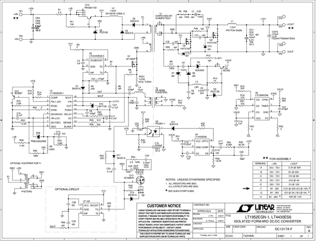
DC1317A-F: Demo Board for LT1952 Single Switch Synchronous Forward Controller.
相关产品
文档
-
DC1317A-F - Schematic2010/8/2PDF50K
-
DC1317A-F Demo Manual2009/10/21PDF944K
-
DC1317A-F - Design Files2009/10/21ZIP1M
