概览
产品详情
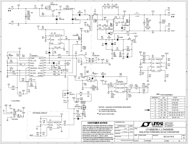
DC1317A-E: Demo Board for LT1952 Single Switch Synchronous Forward Controller.
相关产品
文档
-
DC1317A-E - Schematic2010/8/2PDF54K
-
DC1317A-E - Demo Manual2013/10/18PDF1M
-
DC1317A-E - Design File2013/1/9ZIP1M
