概览
产品详情
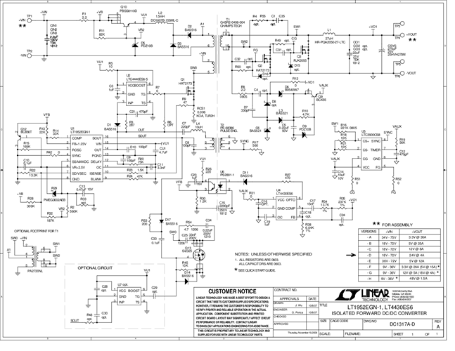
DC1317A-D: Demo Board for LT1952 Single Switch Synchronous Forward Controller.
相关产品
文档
-
DC1317A-D - Schematic2010/8/2PDF50K
-
DC1317A-D - Demo Manual2009/12/7PDF1M
-
DC1317A-D - Design Files2009/12/7ZIP2M
