概览
产品详情
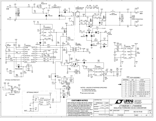
DC1317A-B: Demo Board for LT1952 Single Switch Synchronous Forward Controller.
相关产品
文档
-
DC1317A-B - Schematic2010/8/2PDF54K
-
DC1317A-B - Demo Manual2009/10/7PDF748K
-
DC1317A-B - Design File2009/10/7ZIP1M
