概览
产品详情
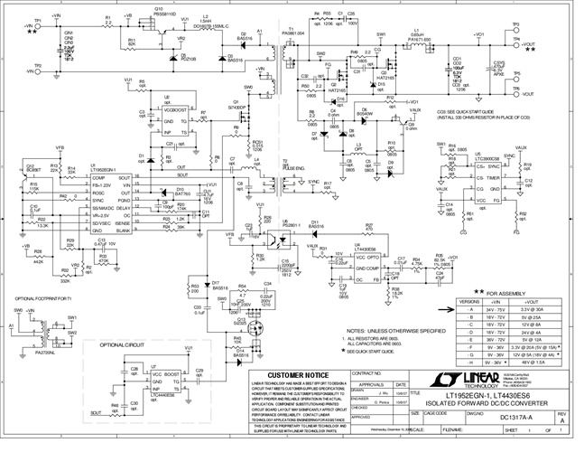
DC1317A-A: Demo Board for LT1952 Single Switch Synchronous Forward Controller.
相关产品
文档
-
DC1317A-A - Schematic2010/8/2PDF54K
-
DC1317A-A - Demo Manual2009/10/7PDF1M
-
DC1317A-A - Design File2009/12/7ZIP1M
