概览
产品详情
该评估板已停产且不再推荐使用。
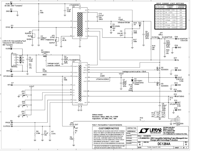
DC1284A:具有过压保护功能的LTC4098/LTC4098-1——USB兼容开关电源管理器/锂离子充电器演示板
相关产品
文档
-
DC1284A - Schematic2009/9/24PDF129K
-
DC1284A - Demo Manual2009/9/24PDF357K
-
DC1284A - Design File2009/9/24ZIP965K
