文档
-
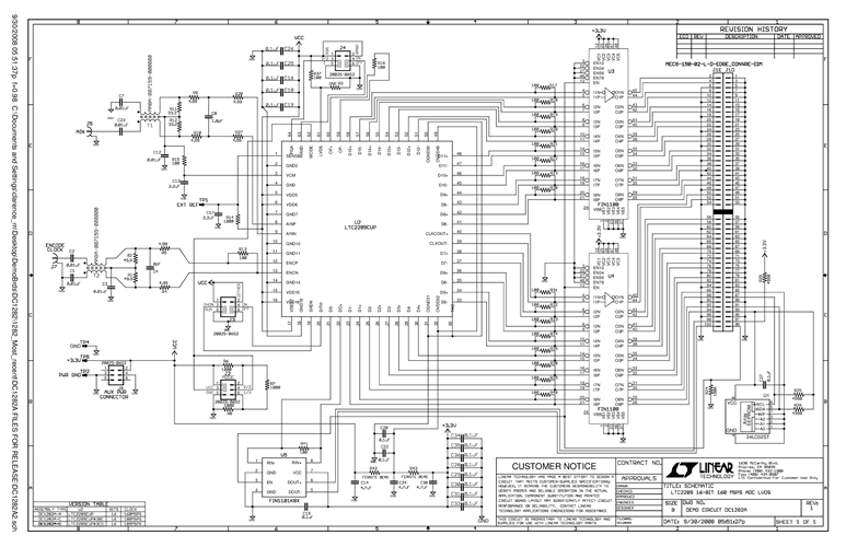
DC1282A - Schematic2010/3/12PDF520K
-
DC1282A - Demo Manual2012/5/18PDF1M
-
DC1282A - Design File2009/9/24ZIP926K
