概览
产品详情
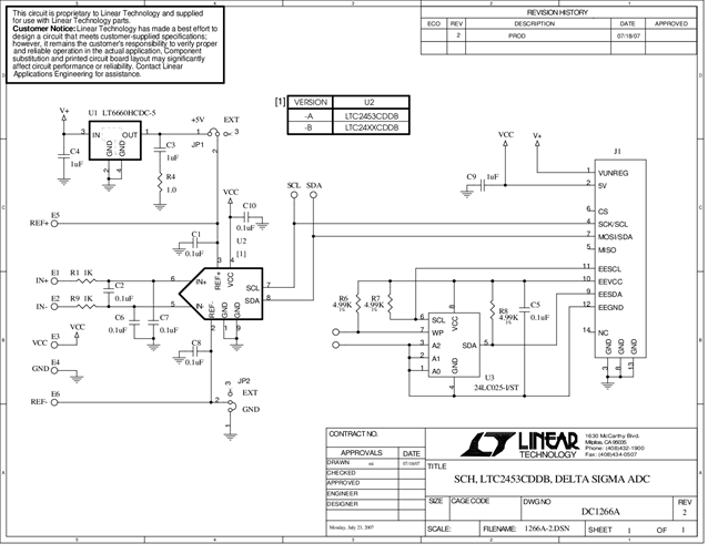
DC1266A-A: Demo Board for the LTC2453 Ultra-Tiny, Differential, 16-Bit ∆Σ ADC With I2C Interface
相关产品
文档
-
DC1266A - Schematic2009/9/24PDF34K
-
DC1266A - Demo Manual2009/9/24PDF342K
-
DC1266A - Design File2009/9/24ZIP0M
