概览
产品详情
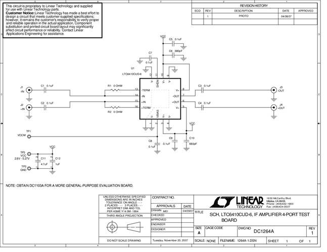
DC1264A: Demo Board for the LTC6410-6 Low Distortion, Low Noise Differential IF Amplifier with Configurable Input Impedance
相关产品
文档
-
DC1264A - Schematic2009/9/24PDF28K
-
DC1264A - Demo Manual2009/9/24PDF253K
-
DC1264A - Design File2009/9/24ZIP1M
