概览
产品详情
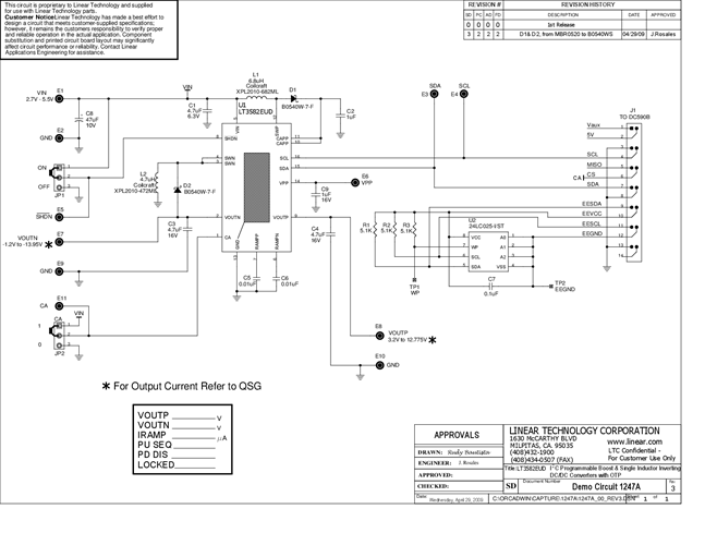
Demonstration circuit 1247A features the LT3582 an I2C Programmable Boost and Single Inductor Inverting DC/DC Converters with OTP. It converts a 2.7V-5.5V source to two outputs, a positive and a negative. The positive output can be programmed from 3.2V to 12.775V at 25mV intervals and the negative from -1.2V to -13.95V at 50mV intervals, all via the QuickEval™ System. A DC590B is needed for evaluation of this demo board. Table 1 below shows the maximum expected load currents for some output/input combinations. Check Maximum Load Current section on datasheet for other combinations. The LT3582 features all integrated switches and feedback resistors, a low noise control scheme, positive output disconnect function, low quiescent current, built in softstart.
相关产品
文档
-
DC1247A - Schematic2009/9/24PDF89K
-
DC1247A - Demo Manual2009/9/24PDF482K
-
DC1247A - Design File2009/9/24ZIP2M
