文档
-
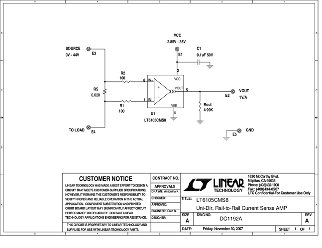
DC1192A - Schematic2009/9/24PDF27K
-
DC1192A - Demo Manual2009/9/24PDF398K
-
DC1192A - Design File2009/9/24ZIP627K




