概览
产品详情
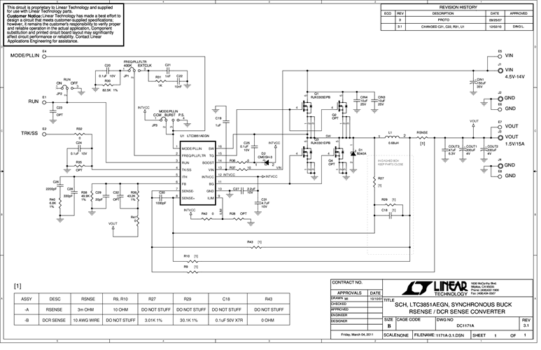
DC1171A-A: Demo Board for LTC3851 Synchronous Step-Down Switching Regulator Controller
相关产品
文档
-
DC1171A - Schematic2011/3/10PDF47K
-
DC1171A - Demo Manual2011/3/10PDF471K
-
DC1171A - Design Files2011/3/7ZIP1M
