概览
产品详情
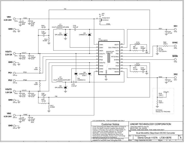
Demo circuit 1157 is a dual monolithic step-down DC/DC converter featuring the LT3510. The demo circuit is designed for 3.3V and 1.8V outputs from a 4.5V to 24V input. The current capability of each channel is up to 2A. Both regulators features independent input voltage, feedback, soft-start and power good pins and the outputs can be configured to track each other.
相关产品
文档
-
DC1157A - Schematic2009/9/24PDF27K
-
DC1157A - Demo Manual2009/9/24PDF436K
-
DC1157A - Design File2009/9/24ZIP1M
