概览
产品详情
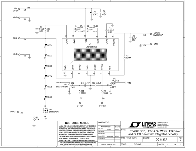
Demonstration circuit 1137 is a 20mA Six White LED Driver and OLED driver with Integrated Schottky featuring the LT3498. The LT3498 is a dual output boost converter featuring a 2.3MHz PWM LED driver and a PFM (Pulse Frequency Modulation) OLED driver. The demo board is designed to operate from 3V to 5V, ideal for Li Ion battery powered dual display applications, such as main and sub-displays for cell phones.
The demo board offers flexible LED dimming methods. Users can use DC dimming, filtered PWM dimming or direct PWM dimming. The parts functions as a “one-wire” current source from the LED string point of view. The circuit protection clamps LED driver output to 27V (typ) if an open circuit condition occurs. When CTRL2 is higher than 1.5V, the demo board OLED supply output voltage is 16V. It can deliver up to 24mA from a 3V source.
相关产品
文档
-
DC1137A - Schematic2009/9/24PDF25K
-
DC1137A - Demo Manual2009/9/24PDF235K
-
DC1137A - Design File2009/9/24ZIP589K
