概览
产品详情
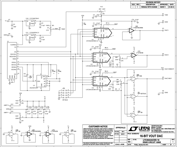
DC1096B: Demo Board for:
LTC2641-16-/14-/12-Bit VOUT DACs in 3mm × 3mm DFN
LTC2641-14 - 14-Bit VOUT DAC in 3mm × 3mm DFN
LTC2641-16 - 16-Bit VOUT DAC in 3mm × 3mm DFN
LTC2642-16 - 16-Bit VOUT DAC in 3mm × 3mm DFN
LTC2642-14 - 14-Bit VOUT DAC in 3mm × 3mm DFN
LTC2642-16-/14-/12-Bit VOUT DACs in 3mm × 3mm DFN
文档
-
DC1096B - Schematic2016/11/16PDF38K
-
DC1096B - Demo Manual2016/11/16PDF331K
-
DC1096B - Design Files2016/11/16ZIP932K




