概览
产品详情
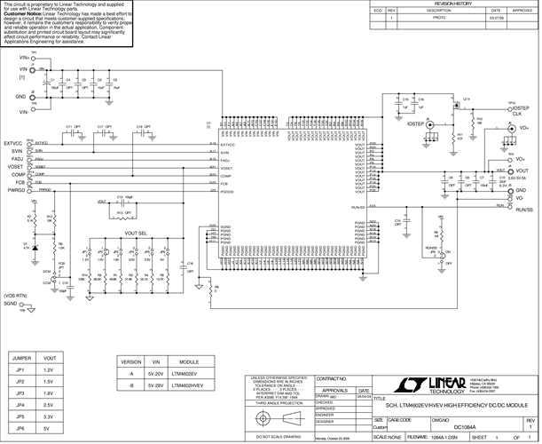
演示电路 DC1084A-A 采用了 LTM4602,后者是一款高效率、高密度降压型 μModule® 稳压器。输入电压范围为 5V 至 20V。输出电压可通过跳线设置在 0.6V 至 5V 的范围内;请参阅 LTM4602 数据手册中的降压比曲线。额定负载电流为 6A,但是对于某些 VIN、VOUT 和热状况,必需进行降额处理。
相关产品
文档
-
DC1084A-A - Schematic2014/6/26PDF40K
-
DC1084A-A - Demo Manual2011/9/12PDF1M
-
DC1084A-A - Design Files2014/6/26ZIP907K




