概览
产品详情
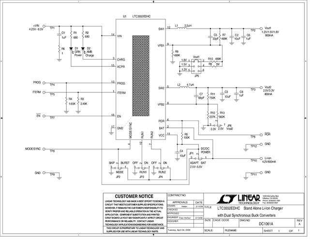
DC1061A: Demo Board for the LTC3552 Standalone Linear Li-Ion Battery Charger and Dual Synchronous Buck Converter.
相关产品
文档
-
DC1061A - Schematic2009/9/24PDF33K
-
DC1061A - Demo Manual2009/9/24PDF165K
-
DC1061A - Design File2009/9/24ZIP644K
