概览
产品详情
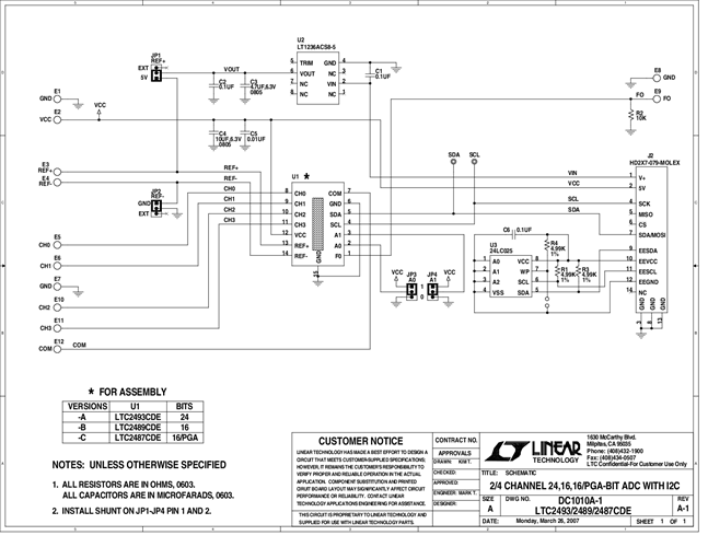
DC1010A-C: Demo Board for the LTC2487 16-Bit 2-/4-Channel ΔΣ ADC with PGA, Easy Drive and I2C Interface.
文档
-
DC1010A - Schematic2009/9/24PDF29K
-
DC1010A - Demo Manual2009/9/24PDF620K
-
DC1010A - Design File2009/9/24ZIP655K




