Multiplexing Shutdown Allows Text to be Displayed
Abstract
An LED text display is valuable in communicating status information or operating directions to a product user. However, 7-segment LED displays are not capable of displaying all the letters of the alphabet. This application note details a circuit that displays text using two common-cathode, 7-segment, LED-display drivers.
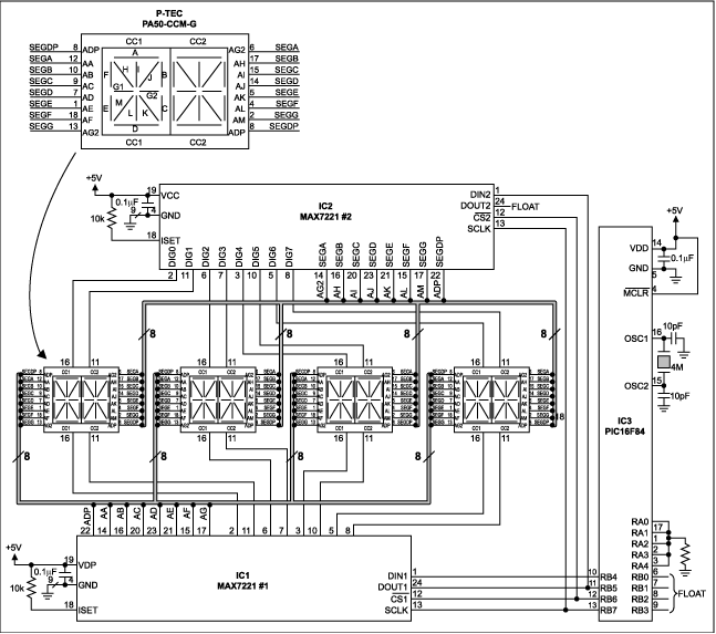
Presenting numbers on a 7–segment LED display is simple with 7–segment LED drivers like IC1 of Figure 1, but 7–segment LED displays are not capable of displaying all the letters of the alphabet. Yet, a display of text is valuable in communicating status information or operating directions to a product user. The usual drawback of an alphanumeric display driver is its greater complexity.

Figure 1. This circuit enables two 7–segment display drivers to display text.
To minimize complexity, the Figure 1 circuit displays text using two common–cathode, 7–segment, LED–display drivers. All 14 segments share the same common cathode, and because the drivers (IC1 and IC2) multiplex from LED0 to LED7, you cannot just simply set IC1 to control seven of the segments and IC2 to control the other seven without producing "ghosting." In addition, you must set IC1 to control seven of the segments while IC2 is shut down, and vice versa.
Shutdown must be toggled between IC1 to IC2 rapidly enough so the illuminated segments will be visible, and the shutdown times for each chip must be equal. Otherwise, an observer can detect a difference in brightness between the first seven segments and the last seven segments. IC3, a popular microcontroller, is programmed to control both 7–segment display drivers via a single SPI port, by cascading them together.
A microcontroller program for cascading two MAX7221 LED display drivers using only one SPI™ port to control eight 14 segment alphanumeric displays is available to download.