DS2141A, DS2143 Three Channel Drop and Insert
Abstract
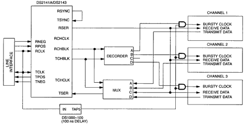
Application Note 306 provides the design requirements for implementing a three channel drop and insert application using the Dallas Semiconductor/Maxim DS2141A T1 framer or DS2143 E1 framer.

Notes:
- A "looped-timed" application is shown.
- This application assumes the dropped channels occupy the same timeslots as the inserted channels.
- The idle registers in the DS1241A/43/51/53 can be used to fill unused (if any) channels.
- The used channels do not need to be contiguous nor do they need to be only one channel wide.
- The line interface function is included onboard the DS2151 and DS2153 devices.
- The delay is used to adjust the clock to account for the delay in generation of the signals that create the bursty clock.
- Additional channels can be added by allowing the RCHCLK signal to be driven into a counter and decoded; the decoded signal would then be used to provide additional selects for the decoder and mux