Overview
Product Details
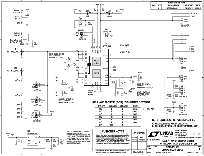
Demonstration circuit 2334A features the LTC2947, a high precision power and energy meter with an internal 30A sense resistor. Three internal ΔΣ ADCs ensure accurate measurement of voltage (0V to 15V) and current (–30A to 30A), while high bandwidth analog multiplication of voltage and current provides accurate power measurement (–450W to 450W) in a wide range of applications. Internal or external clocking options enable precise charge and energy measurements.
Applicable Parts
Documentation & Resources
-
DC2334A - Schematic9/1/2016PDF64K
-
DC2334A - Demo Manual9/1/2016PDF3M
-
DC2334A - Design Files9/1/2016ZIP1M


