概览
产品详情
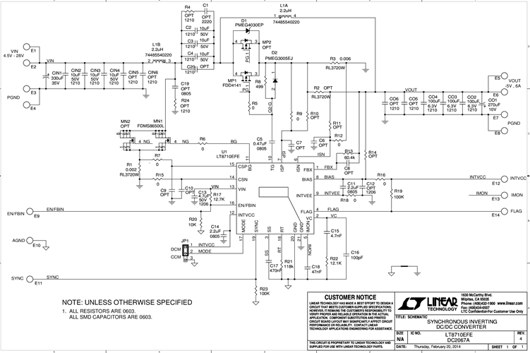
Demonstration circuit 2067A is a synchronous inverting converter (CUK topology) featuring the LT8710 switching controller. It regulates a –5V, 6A output from a 4.5V to 28V input source, and operates at 300kHz switching frequency. The LT8710 features simple negative or positive output voltage programming. The DC2067 programs a –5V output with a single resistor.
相关产品
文档
-
DC2067A - Schematic2014/2/21PDF37K
-
DC2067A - Demo Manual2014/2/21PDF252K
-
DC2067A - Design Files2014/2/21ZIP1M
