はじめに
本連載の初回の記事1では、フィルタの位相と実装トポロジーの関係について考察しました。それに続き、前回は2は、ローパス応答とハイパス応答に注目し、フィルタの伝達関数における位相シフトについて解説しました。今回はバンドバス応答に焦点を絞り、位相応答について説明します。フィルタの設計では振幅応答に主眼が置かれますが、一部のアプリケーションでは位相応答が重要になるので注意が必要です。
前回の記事でも述べましたが、アクティブ・フィルタの伝達関数は、フィルタの伝達関数とアンプの伝達関数をカスケード接続したものになります(図1)。

バンドパス・フィルタの伝達関数
ローパス・フィルタのプロトタイプにおいて、伝達関数の分子を

に変えると、バンドパス・フィルタの伝達関数になります。それにより、伝達関数に零点( ゼロ) ができます。分子のsが零点を与え、分母のs は極を与えます。零点によって与えられる応答は周波数が高まれば上昇し、極によって与えられる応答は周波数が高まれば下降します。
2次のバンドパス・フィルタの伝達関数は次式のようになります。

ここで、ω0(F0= 2πω0)はフィルタのゲインが最大になる周波数です。
H0は回路のゲイン(Q値はピーク)であり、次式で定義されます。

ここでHは実装したフィルタのゲインです。
Q値はバンドパス応答では特別の意味を持ちます。それはフィルタの選択度に対応し、次式で定義されます。

ここでFLとFHは振幅応答が最大値より-3dBとなる周波数です。
フィルタの帯域BWは次式で表されます。

共振周波数F0はFLとFHの幾何平均で表すことができます。すなわち、F0は対数軸上でFLとFHの中心の位置に現れます。

また、バンドパス応答のスカート特性( 減衰特性) は、対数軸上でF0を中心として常に対称になります。
Q値を変えたときのバンドパス・フィルタの振幅応答を図2に示します。この図では、中心の周波数のゲインを1(0dB)に正規化しています。

本稿では主に位相応答について述べますが、フィルタの振幅応答について理解することも重要です。
ここで1つ注意すべきことがあります。それは、バンドパス・フィルタは異なる2つの方法で定義できるということです。狭帯域の場合、上述したような典型的な方法で定義することができます。しかし、2つ( 周波数が高い側と低い側)のカットオフ周波数がかなり離れている場合、バンドパス・フィルタはハイパス側とローパス側の独立したセクションで構成する場合もあります。ここで言う「かなり離れている」とは、2オクターブ(周波数で4倍)以上離れている場合を指します。ここでは、この場合を広帯域、それより狭い場合を狭帯域と表現することにします。本稿では、主に狭帯域の例を考えます。広帯域の場合、フィルタをハイパス側のセクションとローパス側のセクションに分けて評価します。
バンドパス・フィルタは、バターワース、ベッセル、チェビシェフのような標準的な応答で定義することができます。また、Q値とF0によって定義することも可能です。
バンドパス・フィルタの位相応答は、次式で表されます。

なお、単極のバンドパス・フィルタは存在しません。

図3は、式(6)の中心周波数の2decade下から中心周波数の2decade上までを示したものです。中心周波数の位相シフト量は0°です。中心周波数は1Hz、Q値は0.707です。前回まではαも使用していましたが、Qも前回までと同じ意味です。α = 1 / Qの関係にあります。
この曲線の形状は、基本的にローパス( およびハイパス)の形状と同じであることがわかります。しかし、この例では位相シフトは90°から始まっています。中心周波数より下では0°に向かい、中心周波数より上では-90°に向かっています。
図4に示したのは、Q値を変えたときのバンドパス・フィルタの位相応答です。伝達関数を見ると、比較的広い周波数範囲で位相の変化が起こり、変化の範囲は回路のQ値に反比例することがわかります。繰り返しますが、この曲線は、ローパス(およびハイパス)応答と比較すると、範囲が異なるだけで形状は同じです。

アンプの伝達関数
前回までは、アンプの伝達関数は基本的に単極フィルタの伝達関数であるとしていました。アンプの位相シフトは一般に無視されますが、複合フィルタの伝達関数には影響が及ぶことがあります。本稿では、フィルタのシミュレーション用にアナログ・デバイセズのオペアンプIC「AD822」を選択しました。その理由の1つは、フィルタの伝達関数に与える影響を最小限に抑えられることです。このアンプの位相シフトは、フィルタのコーナー周波数よりかなり高い周波数まで一定になります。図5 にAD822の伝達関数を示しました。これは同ICのデータシートに記載されているものです。

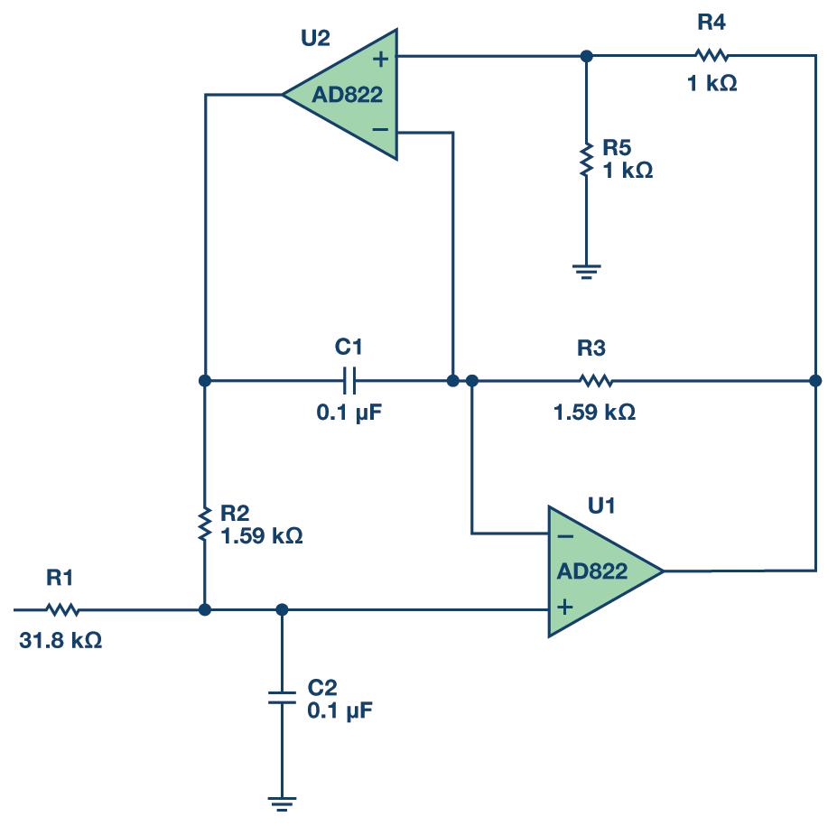
例1:1kHz、2極、Q=20のバンドパス・フィルタ
最初の例は、初めからバンドパス用に設計されたフィルタです。中心周波数は1kHz、Q値は20としています。Q値が比較的高いので、デュアル・アンプ・バンドパス(DABP)構成を採用しています。これらの値/構成は任意に選択したものです。
設計に当たっては参考文献1で示した式を使用しました。回路図は図6のとおりです。

本稿では主に位相について述べていますが、振幅応答について考察するのも有益なことです。このフィルタの振幅応答を図7に示しました。

位相応答は図8に示したとおりです。

DABP構成は非反転型の回路であることに注意してください。図8は図3と整合がとれています。
例2:1kHz、3極、0.5dBのチェビシェフ・ローパス・フィルタをバンドパス・フィルタに変換
フィルタの理論ではローパス・フィルタが基本になります。そうした理論に基づき、ローパス・フィルタをほかの種類のフィルタに変換することができます。この例では、中心周波数が1kHz、3極、0.5dBのチェビシェフ・フィルタをベースとします。チェビシェフ・フィルタを選択した理由は、応答が正しくない場合に、そのことがはっきりと現れるからです。例えば、通過帯域にリップルが現れることはありません。また、バターワース・フィルタは恐らくこの例には適していません。1組の極と1つの極が適切に変換されるように、3極フィルタを選択しました。
(参考文献1で示した)ローパス・フィルタのプロトタイプでは、極の位置は以下の表のようになります:
| 段 | α | β | F0 | α |
| 1 | 0.2683 | 0.8753 | 1.0688 | 0.5861 |
| 2 | 0.5366 | |
0.6265 | |
1段目には極のペアがあり、2段目は単極です。完全に離れた2つのパラメータに対し、αを不適切に使用しないよう注意してください。左側のα とβ はs平面における極の位置です。これらの値は変換アルゴリズムで使用します。右側のαは1/Qで、物理的なフィルタの設計で使用する式に使われるものです。
ここで、ローパス・フィルタのプロトタイプをバンドパス・フィルタに変換します。変換には、参考文献1で述べた一連の式を使用します。プロトタイプの各極は極のペアに変換されるため、プロトタイプに3つの極がある場合、変換後には6つの極(3つのペア)ができることになります。また、プロトタイプには6個の零点があります。なお、バンドパス・フィルタに単極のものはありません。
変換を行う際には、結果として得られるフィルタの3dB帯域幅を規定することもあります。この例では、その値を500Hzに設定しています。変換の結果は次のようになります。
| Stage | F0 | Q | A0 |
| 1 | 804.5 | 7.63 | 3.49 |
| 2 | 1243 | 7.63 | 3.49 |
| 3 | 1000 | 3.73 | 1 |
実際には、扱える信号のレベルを最大にするために、フィルタの初段にゲインとQ値の低いセクションを配置する方法が有効かもしれません。最初の2段に対してゲインに関する要件が存在する理由は、各段の中心周波数がフィルタ全体の中心周波数に比べて減衰しているからです(これは、ほかのセクションのスカート特性上にあるということです)。
Q値としては中程度(20未満)の値が得られるので、フィルタの種類としては多重帰還型を選びます。フィルタの設計には、参考文献1で示した多重帰還型バンドパス・フィルタの計算式を使用します。図9にフィルタの回路図を示しました。

図10はフィルタ全体の位相応答です。このグラフには、1段目のみの位相シフト(セクション1)、最初の2段を合わせた位相シフト( セクション2) 、フィルタ全体の位相シフト( セクション3) がプロットされています。これらは、アンプの位相シフトとフィルタ・トポロジーの反転を含めて、実際のフィルタ・セクションの位相シフトを表しています。
図10については、いくつか注意すべき点があります。まず、位相応答は累積されるということです。1つ目のセクションでは位相が180°変化しています(フィルタの関数における位相シフトであり、フィルタ・トポロジーの位相シフトは無視しています)。2つ目のセクションは、位相シフトが180°の2つのセクションで構成されています。そのため、位相は360°変化します。言うまでもなく360°=0°です。3つ目のセクションでは、各セクションの位相の変化が180°であるため位相シフトは540°になります。また、10kHz以上の周波数では、アンプの応答の影響により位相がややロールオフし始めることに注意してください。ロールオフも累積し、各セクションで増加することがわかります。

図11に、フィルタ全体の振幅応答を示しました。

まとめ
本稿ではバンドパス・フィルタの位相シフトについて説明しました。前回の記事では、フィルタのトポロジーと位相シフトの関係やハイパス/ローパス・トポロジーにおける位相シフトについて考察しました。今後の記事では、ノッチ・フィルタやオールパス・フィルタを取り上げる予定です。そして、この連載の最終回ではすべてのまとめを行います。位相シフトがフィルタの過渡応答にどのような影響を与えるのか、群遅延やインパルス応答、ステップ応答を見ながら考察するとともに、信号に対して及ぼす影響についても解説を加えます。
参考文献:
1Hank Zumbahlen「アクティブ・フィルタの位相関係」Analog Dialogue, Volume 41, Number 4, 2007年
2Hank Zumbahlen「アクティブ・フィルタの位相応答その2:ローパス応答とハイパス応答」Analog Dialogue,Volume 43-09, 2009年
参考資料
G. Daryanani「Principles of Active Network Synthesis and Design」John Wiley & Sons, 1976年
J. Graeme, G. Tobey and L. Huelsman「Operational Amplifiers Design and Applications」McGraw-Hill, 1971年
Mac Van Va lkenburg「Analog Filter Design」Holt , Rinehart and Winston, 1982年
Arthur B. Williams 「Electronic Filter Design Handbook」McGraw-Hill, 1981年
Hank Zumbahlen「Basic Linear Design」Ch. 8. Analog Devices, 2006年
Hank Zumbahlen「Chapter 5: Analog Filters. Op Amp Applications Handbook」Newnes-Elsevier, 2006年
Hank Zumbahlen 「Linear Circuit Design Handbook」Newnes-Elsevier, 2008年
Hank Zumbahlen「アクティブ・フィルタの位相関係」Analog Dialog, Volume 41 Number 4, 2007年
Anatol I. Zverev「Handbook of Filter Synthesis」John Wiley & Sons, 1967年
