 
                        4G / 5G Radio Unit Systems
 Analog Devices’ core technologies and domain expertise help customers plan, design, and create unprecedented high-performance communication systems across the globe.
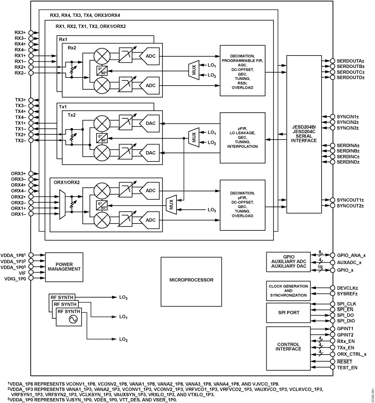
Our Radio Unit (RU) design platforms leverage our latest generation technologies to deliver high-performance solutions which eliminate design hurdles, save product development cycles, and reduce time to market. 
Value and Benefits
Our solutions are designed to reduce energy across the entire RU, with a corresponding reduction in size and weight. Additional benefits include harmonized clocking and power components with lower incremental system jitter and noise. These flexible platforms can be adapted across all bands, bandwidths, and power variants.
Reduces number of product development cycles
Optimizes for energy savings (SWaP)
Includes commercial grade O-RAN 7.2a IP
Featured Products
 
                                                             
                                                             
                                                             
                                                             
                                                             
                                                             
                                                             
                                                             
                                                             
                                                             
                                                            Reference Designs
 
                                                             
                                                             
                                                             
                                                            Evaluation Boards
 
                                                             
                                                             
                                                             
                                                             
                                                             
                                                            ADRV9371-N/PCBZ and ADRV9371-W/PCBZ Boards
 
                                                            ADRV9375-N/PCBZ and ADRV9371-W/PCBZ Evaluation Board
 
                                                             
                                                            Dual AD9361 Evaluation Board
 
                                                             
                                                             
                                                            Key Resources
JESD204 / JESD204B
Filter Design
Developer Tools and Resources
Design Tools
Simulation Models
Training and Support
Trainings and Tutorials
Files and Downloads
                                            ADRF5519: Dual-Channel, 2.3 GHz to 2.8 GHz, 20 W Receiver Front End Data Sheet 
                                                
                                            
                                        
1.12 M
                                            ADuCM3027/ADuCM3029 Ultra Low Power Microcontrollers 
                                                
                                            
                                        
426.43 K
                                            ADMV8052: 30 MHz to 520 MHz Digitally Tunable Band-Pass Filter Preliminary Data Sheet 
                                                
                                            
                                        
3.07 M
                                            ADPA7004: 40 GHz to 80 GHz, GaAs, pHEMT, MMIC, Wideband Power Amplifier Data Sheet 
                                                
                                            
                                        
1.11 M
                                            AD9363 Integrated Programmable RF Transceiver 
                                                
                                            
                                        
456.05 K
                                            UG1541: ADuCM410 Development System Getting Started Tutorial User Guide 
                                                
                                            
                                        
1.11 M
                                            UG1848: Evaluating the ADL5206 1 GHz DGA with 30 dB Range and 1 dB Step Size 
                                                
                                            
                                        
615.19 K
                                            ADF5709: 9.85 GHz to 20.5 GHz, Wideband, MMIC VCO Data Sheet 
                                                
                                            
                                        
257.76 K
                                            High Speed Converters Lead Industry with 28 nm CMOS Technology 
                                                
                                            
                                        
483.39 K
                                            ADL6331: 0.38 GHz to 15 GHz TxVGA Data Sheet 
                                                
                                            
                                        
2.68 M
                                            AN-1420: Phase Buildout and Hitless Switchover with Digital Phase-Locked Loops (DPLLs) 
                                                
                                            
                                        
149.75 K
                                            Connectivity Solutions for the Internet of Things 
                                                
                                            
                                        
1 M
                                            MT-230: Noise Considerations in High Speed Converter Signal Chains 
                                                
                                            
                                        
255 kB
                                            ADRF5022: Silicon SPDT Switch, Nonreflective, 100 MHz to 45 GHz Data Sheet 
                                                
                                            
                                        
706.51 K
                                            ADPA7008: 20 GHz to 54 GHz, GaAs, pHEMT, MMIC, 31 dBm (1 W) Power Amplifier Data Sheet 
                                                
                                            
                                        
2.47 M
                                            ADMV4828: 24.0 GHz to 29.5 GHz Transmit/Receive Dual Polarization Beamformer Data Sheet 
                                                
                                            
                                        
147.13 K
{{modalTitle}}
{{modalDescription}}
{{dropdownTitle}}
- {{defaultSelectedText}} {{#each projectNames}}
- {{name}} {{/each}} {{#if newProjectText}}
- 
                                                    {{newProjectText}} {{/if}}
{{newProjectTitle}}
{{projectNameErrorText}}
 
                             
                                                                                                                                                                                                                                            