MAX2640 LNAのSパラメータの測定と安定度の分析

2006年02月17日

Figure 1

   

要約

MAX2640 LNAの安定度の分析は、Sパラメータの測定値を使用して行います。複数のテストケースでSパラメータのデータの正当性を確認し、またデバイスは5GHzまで安定していることを確認しました。このアプリケーションノートでは、最適な安定性を得るためにVCCライン上で必要となるインダクタンスの量を推奨しています。また、自動車のキーレスエントリアプリケーション用に、315MHzにおける性能と、必要なマッチングについての概要を説明しています。

はじめに

このアプリケーションノートでは、MAX2640 LNAにてSパラメータの測定を行い、このSパラメータの測定値を使用して安定度を分析しました。LNAを315MHz動作に合わせたとき、Sパラメータの測定値の正当性を確認しました。得られた分析結果によると、デバイスは5GHzまで無条件に安定となっています。最後に、最適な安定性を得るためにVCCライン上で必要となるインダクタンスの量を推奨しています。

MAX2640 LNAの315MHzにおける動作

以下の表1に、315MHzでのこのデバイスの性能を一覧で示します。図1は、性能対周波数を示しています。

表1. MAX2640の性能の一覧.
Parameter Customer Target MAX2640
ICC (mA) < 2 3.5
Gain (dB) > 13 17.4
Noise Figure (dB) < 2 1.4
Input P1dB (dBm) Not specified -26
Input IP3 (dBm) -10 -17.25
S11 (dB) Not Specified -10.5
S22 (dB) Not Specified -19.3
(f = 315MHz, VCC = 3V)
Note: Input Power = -30dBm per tone

図1. 315MHzのアプリケーションでのMAX2640 LNAの性能対周波数

図1. 315MHzのアプリケーションでのMAX2640 LNAの性能対周波数

Sパラメータの測定

テストのセットアップ MAX2640のSパラメータを測定するために、2つの評価(EV)キットとネットワークアナライザ(HP8753D)を使用しました。1つ目のEVキット(キットNo.1)のICを取り除き、このキットを校正に使用しました。2つ目のキット(キットNo.2)では、ICはそのままですがマッチング部品は載せず、このキットを実際の測定に使用しました。

  1. アナライザに接続されたケーブル端に於いて、2ポートの完全校正を行いました。
  2. キットNo.2でマッチング部品を用いずにICのSパラメータを測定するときには、キットNo.1にてMAX2640の入力と出力ピンが半田付けされるパッドを短絡しました(以下の図2を参照)。
  3. 入力と出力の両方のインピーダンスが315MHzにてできるだけ短絡に近くなるように、ネットワークアナライザのポートエクステンションを調整しました。このキャリブレーションを使用し、キットNo.2のデバイスのピンに於けるSパラメータを測定しました。
  4. 次に、最後のマッチング部品を配置すべき点に短絡を移動してキットNo.1を変更しました。再度、入力と出力の両方のインピーダンスが315MHzにおいてできるだけ短絡に近くなるように、ネットワークアナライザのポートエクステンションを調整しました。
  5. 次に、マッチング部品をキットNo.2に戻しました。マッチング部品とともにICのSパラメータをベンチ上で測定しました。
  6. ICだけ(上記のステップ3)で測定したSパラメータの正当性を確認するために、SパラメータをADS (マイクロ波シミュレーションソフトウェア)に入力し、マッチング部品と伝送ラインのモデルを追加しました。また、基板に存在する寄生容量をモデル化するために入力ピンと出力ピンに0.5pFの容量を加えました(付録の図18にADSのシミュレーションを示しています)。続いて、このセットアップでの性能曲線を、ICとマッチング部品を含む実際の基板上で測定されたSパラメータデータ(上記ステップ5)と比較しました。

図2. MAX2640のSパラメータを測定するために使用した校正回路.

図2. MAX2640のSパラメータを測定するために使用した校正回路.

テスト結果
図3~図8の曲線におけるラベル表示の定義は次のとおりです。

  • MAX2640_Epcos_1GHz_simulation: ICは、ベンチにて抽出されたSパラメータが使用され、マッチング部品は、ADSにて追加された物を使用したシュミレーション。
  • MAX2640_Epcos_1GHz_bench:基板自体にマッチング部品を追加した後にベンチ上で測定

図3. シミュレーション測定とベンチ測定でのS11 (dB)の比較.

図3. シミュレーション測定とベンチ測定でのS11 (dB)の比較.

図4. シミュレーション測定とベンチ測定でのS11 (位相)の比較.

図4. シミュレーション測定とベンチ測定でのS11 (位相)の比較.

図5. シミュレーション測定とベンチ測定でのS22 (dB)の比較.

図5. シミュレーション測定とベンチ測定でのS22 (dB)の比較.

図6. シミュレーション測定とベンチ測定でのS22 (位相)の比較.

図6. シミュレーション測定とベンチ測定でのS22 (位相)の比較.

図7. シミュレーション測定とベンチ測定でのS21 (dB)の比較.

図7. シミュレーション測定とベンチ測定でのS21 (dB)の比較.

図8. シミュレーション測定とベンチ測定でのS21 (位相)の比較.

図8. シミュレーション測定とベンチ測定でのS21 (位相)の比較.

上記のデータを見れば、2つのテストケースにおいて、大きさと位相の両方の性能が酷似していることがわかります。周波数の小さなずれを除き、シミュレーション(ICのみのSパラメータと、ADSにて追加されたマッチング部品を含むベンチにて測定されたSパラメータを使用)は、実際のベンチ性能(基板自体にマッチング部品を追加した後にベンチ上で測定)に非常に近くなっています。したがって、結論として、MAX2640について測定したSパラメータは信頼性があり、シミュレーションと安定度の分析に使用可能であることがわかります。

注:マッチング部品を基板自体に追加したテストでは、S12を測定することができませんでした。この信号の大きさが極めて小さかったため、アナライザで正確に測定することができなかったからです。このため、S12の大きさと位相の曲線は、上記のグラフには含まれていません。

安定度の分析

MAX2640での安定度を分析するために、上記で説明された同じ手順で100MHz~5GHzのSパラメータを測定しました。3つのケースでテストを実施しました。第1のケースは、MAX2640のVCCピンとデカップリングコンデンサの間に9mmの伝送ラインを設けた状態、第2のケースは、VCCピンのできるだけ近くにコンデンサを実装した状態、第3のケースは、5mm離れたところにコンデンサを実装した状態です。

第1のテストケース

MAX2640のVCCピンから9mmのところにデカップリングコンデンサを実装しました。伝送ラインの幅は42milでした。これは、4層で特性50Ωのインピーダンス制御された基板です。基板材質は、FR4で、比誘電率が約4.5の1オンス銅でした。最上層と内部グランドプレーン(第2層)の間の誘電層厚は24ミルでした。この情報を使用して、VCCピンから見たインダクタンスをシミュレートしました。得られたデータは、315MHzで約j5.5Ωで、これは2.5nHインダクタと等価です。図9は、ICのみの場合の、安定度測定、安定度係数、ソースの安定度係数、および負荷の安定度係数を示しています。図10は、ソースと負荷の安定円を示しています。

図9. 第1のテストケースの安定度測定、安定度係数、ソースの安定度係数、および負荷の安定度係数.

図9. 第1のテストケースの安定度測定、安定度係数、ソースの安定度係数、および負荷の安定度係数.

図10. 第1のテストケースのソースと負荷の安定円.

図10. 第1のテストケースのソースと負荷の安定円.

第2のテストケース

このテストケースでは、VCCピンのできるだけ近くにコンデンサを実装しました。伝送ラインの長さは40ミルで、確認されたインダクタンスは、315MHzで約j0.6Ωで、0.3nHインダクタと等価です。以下の図11は、安定度測定、安定度係数、ソースの安定度係数、および負荷の安定度係数をグラフで示しています。図12は、ソースと負荷の安定円をグラフで示しています。

図11. 第2のテストケースの安定度測定、安定度係数、ソースの安定度係数、および負荷の安定度係数.

図11. 第2のテストケースの安定度測定、安定度係数、ソースの安定度係数、および負荷の安定度係数.

図12. 第2のテストケースのソースと負荷の安定円.

図12. 第2のテストケースのソースと負荷の安定円.

第3のテストケース

MAX2640のVCCピンから5mmのところにデカップリングコンデンサを実装しました。伝送ラインの幅は42ミル、315MHzで約j3Ωで、1.5nHインダクタと等価です。以下の図13は、ICのみの安定度測定、安定度係数、ソースの安定度係数、および負荷の安定度係数をグラフで示します。

図13. 第3のテストケースの安定度測定、安定度係数、ソースの安定度係数、および負荷の安定度係数.

図13. 第3のテストケースの安定度測定、安定度係数、ソースの安定度係数、および負荷の安定度係数.

図13は、3つのケースの安定度係数がすべて1より大きく、安定度測定が全周波数範囲にわたって正であることを示しています。このデータは、無条件安定度の要件を満たしています。さらに、安定円はすべての周波数でスミスチャートの外側にあります。

第1のテストケースのデータは、2.5GHz~4.5GHzの周波数範囲で安定度係数が問題なく1を上回っていますが、5GHzで1に近づきます。したがって、MAX2640は、5GHzより上では条件付き安定ということになります。ただし、第2のテストケースの安定度係数は、2.5GHz~4.5GHzの周波数範囲で1に近づきますが、5GHzでは問題なく1を上回ります。したがって、2.5GHz~4.5GHzの周波数範囲では条件付きで製品が安定することになります。コンデンサをVCCピンから5mmのところに実装した第3のテストケースでは、安定度係数は、2.5GHz~4.5GHzの周波数範囲で問題なく1を上回り、さらに5GHzでははるかに1より大きくなります。

上記の分析から、安定性を得るためには、VCCピンから4mm~5mmのところにデカップリングコンデンサを実装することが最適であると結論付けることができます。

回路図およびマッチングネットワーク

簡潔に要約すると、標準的なネットワークアナライザ(HP8753D)を使用して、315MHzにおけるLNAの入力/出力のSパラメータを測定し、またシミュレーションと測定のプロセスを繰り返すことによって最適なインピーダンスマッチングの回路を特定することができました。この、315MHzでの性能と必要なマッチングは、自動車のキーレスエントリアプリケーションに適しています。マッチングは、最良の利得とノイズ指数を得るために最適化しました。以下の図14および15に、最適なインピーダンスマッチング回路を示します。

図14. 315MHzでのMAX2640用のEVキット回路図.

図14. 315MHzでのMAX2640用のEVキット回路図.


MAX2640 LNAの部品表.
DESIGNATION QTY DESCRIPTION
Z1 1 100nH inductor (0603)
Coilcraft 0603CS-R10XJBC
C1 1 1500pF ceramic cap (0603)
Murata GRM188R71H152KA01B
C2 1 150pF 5% ceramic cap (0603) MurataGRM1885C1H151JA01
C3 1 10µF ceramic cap (1206)
AVX TAJA106D010R
C4 1 470pF 5% ceramic cap (0805)
Murata GRM40COG471J50V
C5 1 2.2pF 5% ceramic cap (0805)
Murata GRM40COG022D50V
C6 1 5pF 5% ceramic cap (0805)
Murata GRM40COG050D50V

図15. 315MHzのアプリケーションでのLNAの入力と出力のマッチングネットワーク.

図15. 315MHzのアプリケーションでのLNAの入力と出力のマッチングネットワーク.

LNAの利得とIIP3の測定のセットアップを以下に示します(図16参照)。

  1. IIP3テストには、標準の2トーンテストを使用しました。
  2. 2台のRF信号発生器をパワーコンバイナを通じてLNAの入力に接続しました。
  3. 最初の信号発生器(HP8648B)をセットアップして314.5MHzを生成し、2つ目の信号発生器(HP8648B)で315.5MHzを生成しました(1MHzのトーン離れ)。どちらのトーンも-30dBmを出力しました。
  4. スペクトラムアナライザ(Agilent 8562EC)を使用して利得を測定し、またLNAの出力端における希望のトーンと3次歪みとの差を測定しました。
  5. これらの測定値、および各トーンの入力電力を使用して、LNAのIIP3を得ました。

図16. LNAの利得とIIP3の測定のセットアップ.

図16. LNAの利得とIIP3の測定のセットアップ.

ノイズ指数の測定のセットアップ

ノイズ指数メータ(Agilent N8973A)とノイズ源(HP346A)を使用して、LNAのノイズ指数を求めました。以下の図17にセットアップを示します。

図17. ノイズ指数の測定のセットアップ.

図17. ノイズ指数の測定のセットアップ.

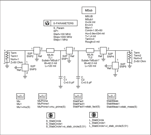
付録:ADSのシミュレーションの回路図

図18. ADSのシミュレーション.

図18. ADSのシミュレーション



myAnalogに追加

myAnalog のリソース セクション、既存のプロジェクト、または新しいプロジェクトに記事を追加します。

新規プロジェクトを作成

この記事に関して

製品

製品カテゴリ
最新メディア 21
Title
Subtitle
さらに詳しく
myAnalogに追加

myAnalog のリソース セクション、既存のプロジェクト、または新しいプロジェクトに記事を追加します。

新規プロジェクトを作成