既存の設計をTDA5200またはTDA5201からMAX1470スーパーヘテロダインレシーバに変更する方法

2004年03月03日

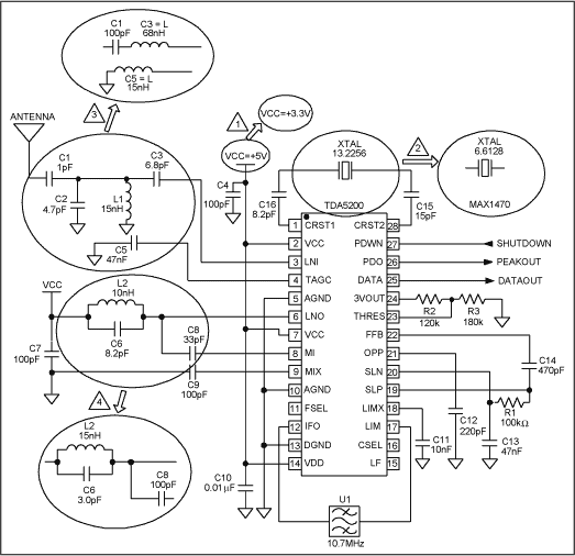
Figure 1

   

要約

このアプリケーションノートでは、設計内のTDA5200またはTDA5201をMAX1470スーパーヘテロダインレシーバに変更するために必要な手順を段階的に説明します。

既存のInfineonレシーバボードをMAX1470に変更し、その独自の機能を活用することを検討しているお客様には、このアプリケーションノートは最適です。図1 は、433.92MHzの信号を受信するためにチューニングされた標準的なTDA5200/TDA5201ベースの回路と、このTDA5200/TDA5201レシーバボードをMAX1470にアップグレードするのに必要となる4つの簡単なステップを示しています。

必要な機器/部品は以下のとおりです。

  • お客様が組み立てたレシーバボード
  • はんだごて
  • MAX1470 IC
  • 6.6128MHz (433.92MHzの動作)、または4.7547MHz (315MHzの動作)の水晶
  • 2 x 100pFおよび1 x 3.0pFのコンデンサ(433.92MHzの動作用)、または2 x 100pFおよび1 x 4.7pFのコンデンサ(315MHzの動作用)
  • 1 x 68nHおよび2 x 15nHのインダクタ(433.92MHzの動作用)、または1 x 15nH、1 x 27nH、および1 x 120nHのインダクタ(315MHzの動作用)

または米国マキシム本社+1 (408) 601-1000内線6503までお電話にてコンバージョンキットをお求めください。その際に動作周波数を指定してください。なお、英語での対応となりますのでご了承ください。

図1. 標準的なTDA5200ベースの回路(433.92MHz)および4つの変換ステップ

図1. 標準的なTDA5200ベースの回路(433.92MHz)および4つの変換ステップ

この変換に必要な4つの簡単なステップを以下に説明します。

  1. 電源電圧:MAX1470は3.3Vの電源を必要とします。TDAの5V電源をMAX1470ベースの回路に接続しないように特に注意してください。
  2. ICおよびXTAL (水晶)発振器:TDA5200をMAX1470に取り替えます。MAX1470 PLLは、433.92MHzの受信周波数用にXTALが6.6128MHzになるように、64xクロック分周器を使用します。使用する水晶によって、コンデンサC15とC16は異なる場合がありますが、これは、負荷容量の違いのため、その規定の動作周波数から外れた水晶を補正するためです。これは水晶プリングと呼ばれています。詳細については、アプリケーションノート1017 「MAX1470スーパーヘテロダインレシーバ用の水晶発振器の選び方」を参照してください。
  3. 入力マッチングとインダクタへの変更:MAX1470ベースの設計は、C1、C2、C3、L1の代わりに直列100pFコンデンサと直列68nHインダクタを使用します。さらに、C5を15nHインダクタに変更します。C3とC5コンデンサの代わりに、2つの新しいインダクタを配置する必要があります。表1に記載する値は公称ですが、PCボードのトレースによって影響を受けるため、若干のチューニングが必要となる場合があります。
  4. LCタンクとミキサ入力:L2、C6、C8は、表1に挙げた値に変更する必要があります。先ほども述べたとおり、記載された値は公称ですが、PCボードのトレースによって影響を受けるため、若干のチューニングが必要となる場合があります。

表1は、すべての部品変更のリストです。必要事項として記述していませんが、抵抗R2とR3は、部品数を低減するために取り除くことができます。

表1. TDA5200とMAX1470ベースの設計における部品の違い
  Infineon Circuit Maxim Circuit
Supply 5V 3.3V
IC TDA5200/1 MAX1470
XTAL 13.2256MHz 6.6128MHz (433.92MHz), 4.7547MHz (315MHz)
R1 100K Unchanged
R2 120K None
R3 180K None
L1 15nH None
L2 10nH 15nH (433.92MHz) 27nH (315MHz)
C1 1pF 100pF
C2 4.7pF None
C3 6.8pF L=68nf (433.92MHz) 120nH (315MHz)
C4 100pF Unchanged or 10nF
C5 47nF L=15nH
C6 8.2pF 3.0pf (433.92MHz) 4.7pF (315MHz)
C7 100pF Unchanged
C8 100pF 100pF
C9 100pF Unchanged
C10 10nF Unchanged
C11 10nF Unchanged
C12 220pF Unchanged
C13 47nF Unchanged
C14 470pF Unchanged
C15 15pF Unchanged
C16 8.2pF 15pF

結果として得られる回路を 図2 に示します。

図2. 標準的なMAX1470ベースの回路(433.92MHz).

図2. 標準的なMAX1470ベースの回路(433.92MHz).

タンクのチューニングとアンテナのマッチングを正しく実行すれば、-112dBm (315MHz)または-108dBm (433.92MHz)を超える感度を期待することができます。イメージ除去は、通常、315MHzで53dB、および433.92MHzで35dBです。



myAnalogに追加

myAnalog のリソース セクション、既存のプロジェクト、または新しいプロジェクトに記事を追加します。

新規プロジェクトを作成

この記事に関して

製品

製品カテゴリ
最新メディア 21
Title
Subtitle
さらに詳しく
myAnalogに追加

myAnalog のリソース セクション、既存のプロジェクト、または新しいプロジェクトに記事を追加します。

新規プロジェクトを作成