製品概要
製品概要
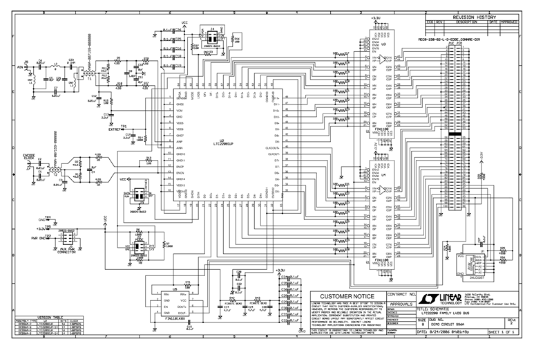
DC996B-D: Demo Board for the LTC2208-14 14-Bit, 130Msps ADC.
対象となる製品
関連資料
- 
                                                                
                                                                    
                                                                                                                                            DC996 - Schematic2012/05/22PDF925K
- 
                                                                
                                                                    
                                                                                                                                            DC996 - Demo Manual2012/05/22PDF1M
- 
                                                                
                                                                    
                                                                                                                                            DC996 - Design Files2012/05/22ZIP4M
 
                             
                         
                         
                                                