製品概要
製品概要
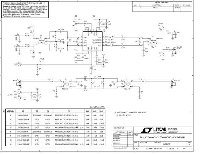
DC987B-E: Demo Board for the LTC6401-8 2.2GHz Low Noise, Low Distortion Differential ADC Driver for DC-140MHz.
対象となる製品
関連資料
-
DC987B - Schematic2009/09/24PDF35K
-
DC987B - Demo Manual2009/09/24PDF207K
-
DC987B - Design File2009/09/24ZIP1M
