製品概要
製品概要
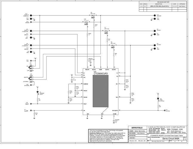
DC948A: Demo Board for the LTC2926 MOSFET-Controlled Power Supply Tracker.
対象となる製品
関連資料
- 
                                                                
                                                                    
                                                                                                                                            DC948A - Schematic2009/09/24PDF343K
- 
                                                                
                                                                    
                                                                                                                                            DC948A - Demo Manual2009/09/24PDF328K
- 
                                                                
                                                                    
                                                                                                                                            DC948A - Design File2009/09/24ZIP450K
 
                             
                         
                         
                                                