製品概要
製品概要
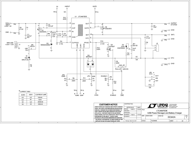
Demonstration circuit 943 is a complete power controller for a USB power device. It features the LTC6047 and provides a full-featured 1.25A linear lithium-ion CC/CV battery charger with timer termination and 4.2V charge voltage, a USB power manager, and a PowerPath manager for the battery. The USB input voltage range is 4.35V to 5.5V and the wall adapter input is 4.35V to 6V. It also features a programmable 1.5A input current limit that can be set at 500mA or 100mA for USB applications.
The wall adapter input has overvoltage protection up to 13V. An external MOSFET disconnects the wall adapter when the voltage exceeds 6V.
対象となる製品
関連資料
-
DC943A - Schematic2009/09/24PDF33K
-
DC943A - Demo Manual2009/09/24PDF716K
-
DC943A - Design File2009/09/24ZIP763K
