製品概要
製品概要
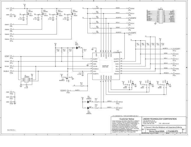
DC906A: Demo Board for the LTC4306 4-Channel, 2-Wire Bus Multiplexer with Capacitance Buffering.
対象となる製品
関連資料
-
DC906A - Schematic2009/09/24PDF27K
-
DC906A - Demo Manual2009/09/24PDF555K
-
DC906A - Design File2009/09/24ZIP888K
