製品概要
製品概要
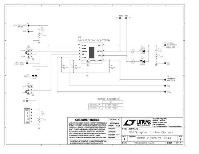
DC904A-B: Demo Board for the LTC4077 Dual Input Standalone Li-Ion Battery Charger.
対象となる製品
関連資料
-
DC904A - Schematic2009/09/24PDF32K
-
DC904A - Demo Manual2009/09/24PDF328K
-
DC904A - Design File2009/09/24ZIP700K
