製品概要
製品概要
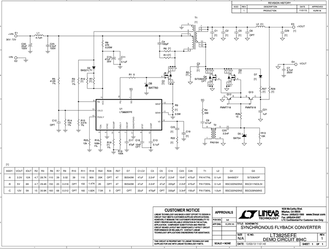
Demonstration circuit 894C-B is a 36V-72Vin, synchronous flyback converter featuring the LT3825. The circuit was designed specifically to attain a high current, low ripple, synchronously rectified flyback to efficiently power 5.0V loads at up to 8A from a typical telecom input voltage range.
対象となる製品
関連資料
-
DC894C - Schematic2014/02/10PDF60K
-
DC894C-B - Demo Manual2014/02/10PDF1M
-
DC894C - Design Files2014/02/10ZIP1M
