製品概要
製品概要
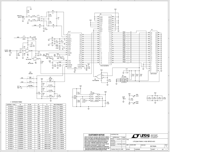
DC782A-K: Demo Board for the LTC2225 12-Bit, 10Msps Low Power 3V ADC.
対象となる製品
関連資料
-
DC782A - Schematic2012/01/12PDF40K
-
DC782A - Demo Manual2012/01/12PDF748K
-
DC782A - Design Files2011/06/08ZIP888K
