製品概要
製品概要
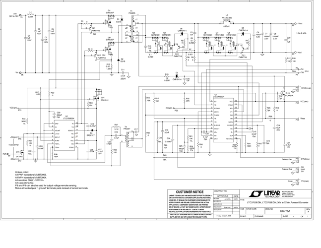
Demonstration circuit 776 is a 36V-72VIN, 2-switch forward converter with synchronous secondary-side control featuring the LTC3705 and LTC3706. This circuit was designed specifically to attain a high stepdown ratio power supply in one stage in order to efficiently power 1.5V loads from a typical telecom input voltage range. Isolation voltage is 1500VDC. This circuit features secondary-side control of the supply without the need of an optocoupler.
関連資料
-
DC776A - Schematic2009/09/24PDF47K
-
DC776A - Demo Manual2009/09/24PDF716K
-
DC776A - Design File2009/09/24ZIP1M
