製品概要
製品概要
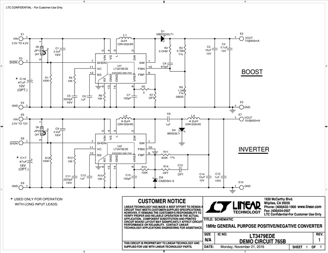
デモンストレーション回路765Bは、LT3479EDEを搭載した汎用1MHz、正負コンバータです。デモ回路は、昇圧回路と反転回路で小型で部品点数が少ないことを実証します。昇圧コンバータは、2.5V〜4.2Vの入力を600mAで7Vの出力に変換するように設定されています。反転回路は、2.5V〜12Vの入力から600mAで–5Vの出力を生成します。
対象となる製品
関連資料
-
DC765B - Schematic2017/02/09PDF29K
-
DC765B - Demo Manual2017/02/09PDF264K
-
DC765B - Design Files2017/02/09ZIP787K





