製品概要
製品概要
This evaluation board is obsolete and no longer recommended.対象となる製品
関連資料
-
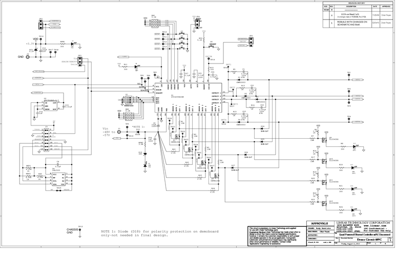
DC609C - Schematic2011/01/13PDF173K
-
DC609C - Demo Manual2011/01/13PDF359K
-
DC609C - Design Files2011/01/13ZIP2M
