製品概要
製品概要
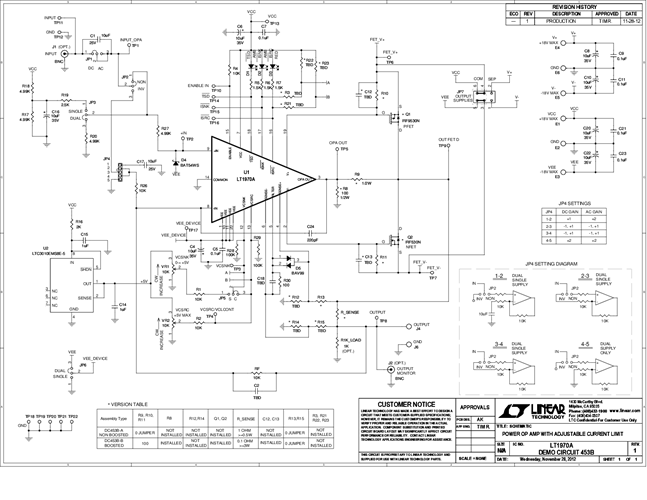
DC453B-A: Demo Board for LT1970A 500mA Power Op Amp with Adjustable Precision Current Limit.
対象となる製品
関連資料
-
DC453B - Schematic2013/03/27PDF73K
-
DC453B - Demo Manual2013/03/27PDF245K
-
DC453B - Design Files2013/03/27ZIP1M
