製品概要
製品概要
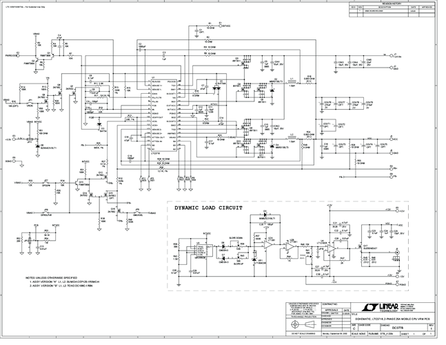
DC377B-B: Demo Board for the LTC3716 - 2-Phase, 5-Bit VID, Current Mode, High Efficiency, Synchronous Step-Down Switching Regulator
対象となる製品
関連資料
-
DC377B - Schematic2009/09/24PDF107K
-
DC377B - Demo Manual2009/09/24PDF115K
-
DC377B - Design File2009/09/24ZIP1M
