製品概要
製品概要
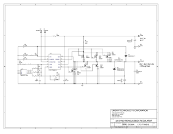
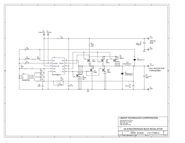
DC309A: Demo Board for LTC1773 Synchronous Step-Down DC/DC Controller.
対象となる製品
関連資料
-
DC309A - Schematic2009/09/24PDF21K
-
DC309A - Demo Manual2009/09/24PDF252K
-
DC309A - Design File2009/09/24ZIP407K
