製品概要
製品概要
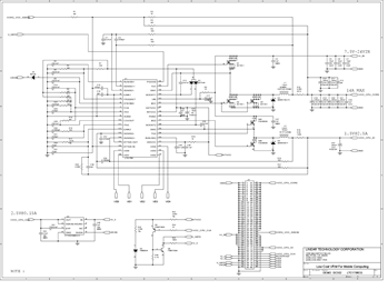
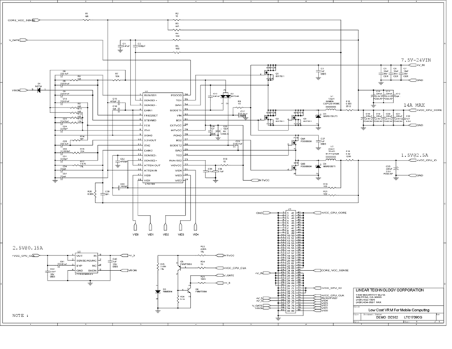
DC302A: Demo Board for LTC1708-PG Dual Adjustable 5-Bit VID High Efficiency, 2-Phase Current Mode Synchronous Buck DC/DC Regulator Controller.
対象となる製品
関連資料
-
DC302A - Schematic2009/09/24PDF80K
-
DC302A - Demo Manual2009/09/24PDF44K
-
DC302A - Design File2009/09/24ZIP821K
