製品概要
製品概要
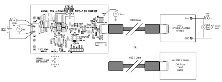
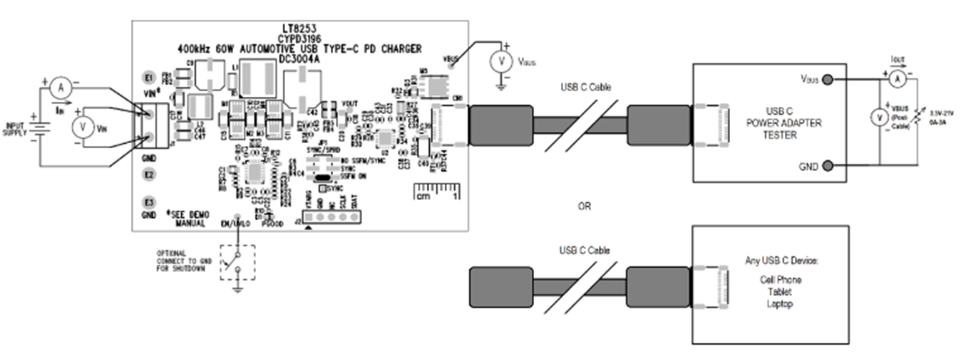
デモ回路DC3004Aは、LT8253を備えた40V 4スイッチ昇降圧コントローラで、最大60Wの出力電源機能に対応するオートモーティブUSB-C PD充電アプリケーション向けに構成されています。VINが9V~18Vの場合、USB-Cポートで接続されたデバイスに、最大3A、3.3V~21Vの電圧で電源を供給します。DC3004Aは、出力電源機能を抑制した状態では最小6VINで動作します。また、最大36Vの入力トランジェント条件で動作を続けることができます。DC3004Aは、400kHzのスイッチング周波数で動作し、EMI低減のためにスペクトラム拡散周波数変調(SSFM)を備えています。SSFMを有効化することで、DC3004Aから発生したEMIをCISPR 25クラス5制限未満に下げることができます。
LT8253の動作入力電圧範囲は4V~40Vです。出力を昇圧、降圧、または4スイッチ昇降圧コントローラとして調整できます。スイッチング周波数を150kHz~650kHzの範囲で調整でき、外付け周波数同期機能または±15%の拡散スペクトラム周波数変調のオプションを備えています。
DC3004Aでは、最新のUSBタイプCおよびPD規格に準拠するために、接続されたUSB-CデバイスとLT8253電源回路間のインターフェースにCypress Semiconductor製CCG3PA USB-Cポート・コントローラ(CYPD3196)を採用しています。このポート・コントローラ・デバイスは、LT8253のINTVCCピンから直接給電されます。CCG3PAは、接続されたデバイスとDC3004A間の電力ネゴシエーションを容易にするほか、FBデバイダでの電圧を調整し、それに応じて出力電圧を設定します。LT8253+CCG3PAシステムは、計測された動作パラメータに基づいてボードの入力電圧、出力電圧と電流、および計測された温度を監視するため、出力電源機能の調整に加えて、過剰な出力電圧、出力電圧の低下、および過電流の際の保護に役立ちます。
デモ回路にはファームウェアが予めロードされており、最新のUSB PD 3.0プロトコルを使用して最大60Wの出力電流をサポートするよう構成されています。提供されるPDO/PPS出力構成オプションは以下の通りです:
- PDO:5V(3A)、9V(3A)、15V(3A)、20V(3A)
- PPS:3.3~11V(3A)、3.3~16V(3A)、3.3~21V(3A)
DC3004Aのファームウェアは、BC 1.2、QC 4.0 & 3.0、AFC、Apple 2.4A充電規格など従来の充電プロトコルもサポートする構成になっています。ファームウェアを更新することで、異なるPDO電圧レベルや電源レベルをサポートすることができます。サポートについては、出荷時アプリケーション担当者にお問い合わせください。
LT8253のデータシートには、部品、動作、およびアプリケーションの詳細が記載されています。データシートは、このDC3004A用デモ・マニュアルと併せて参照してください。LT8253JUFDMは、熱強化型露出グラウンド・パッドが付いた28ピン・プラスチック・サイド・ウェッタブルQFN(UFDM)パッケージで組み立てられています。最大の熱性能を得るため、ボードを適切にレイアウトすることが重要です。データシートのPCボードレイアウトチェックリストのセクションを参照してください。
対象となる製品
関連資料
-
DC3004A - Schematic2020/09/03PDF42 K
-
DC3004A - Demo Manual (Rev. 0)2020/09/03PDF1 M
-
DC3004A - Design Files2020/09/03ZIP2M
