製品概要
製品概要
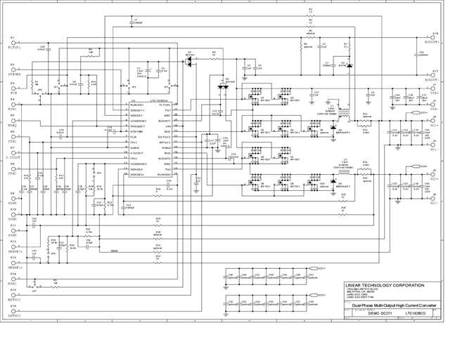
DC271A: Demo Board for the LTC1628 High Efficiency, 2-Phase Synchronous Step-Down Switching Regulator.
対象となる製品
関連資料
- 
                                                                
                                                                    
                                                                                                                                            DC271A - Schematic2009/09/24PDF90K
- 
                                                                
                                                                    
                                                                                                                                            DC271A - Demo Manual2009/09/24PDF658K
- 
                                                                
                                                                    
                                                                                                                                            DC271A - Design File2009/09/24ZIP463K
 
                             
                         
                         
                                                