製品概要
製品概要
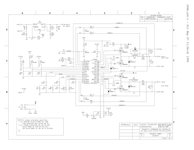
DC264A: Demo Board for the LTC1628 High Efficiency, 2-Phase Synchronous Step-Down Switching Regulator.
対象となる製品
関連資料
-
DC264A - Schematic2009/09/24PDF127K
-
DC264A - Design File2009/09/24ZIP83K
